Orario di apertura: Lun-Ven 8.00 - 19.00 (continuato)
Home Contatti Fiere & Eventi
Privacy Policy
Pannelli Fotovoltaici Inverter Sistemi di Accumulo Pompe di calore Monitoraggio impianti Materiale elettrico Strutture Altro

Materiale elettrico
 
ABB
- Quadri di campo
- Interruttori magnetotermici
- Interruttori di manovra
- Sezionatori
- Scaricatori
CHINT
- Quadri di stringa
- Scaricatori
- Basi portafusibili
- Fusibili
- Interruttori magnetotermici
- Sezionatori
- Contattori
- Morsetti e accessori
GAVAZZI
- Protezione interfaccia B.T.
- Protezione interfaccia M.T.
- Contatore energia teleleggibile
- Opzioni contatore
- Contatori fiscali
- Datalogger web server
- Modem remoto
- Accessori monitoraggio
- Display luminosi
- Accessorio per misure fiscali
 
TEST
- Quadri di campo
Informazione / Quotazione

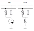
Scaricatori OVR PV


ABB propone un’ampia gamma di dispositivi di protezione dalle sovratensioni specifici per gli impianti fotovoltaici.
Le principali caratteristiche degli scaricatori di sovratensioni OVR PV sono:
- protezione termica integrata con potere d’interruzione 25A c.c.
- cartucce estraibili, per una facile manutenzione senza necessità di sezionare la linea
- contatto di segnalazione remota per il monitoraggio dello stato operativo (versioni TS)
- nessuna corrente di corto circuito susseguente
- nessun rischio in caso di inversione della polarità

M513960 2CTB803953R5300 3660308516510 OVR PV 40 600 P SPD FOTOVOLT. 670VCC
M513977 2CTB803953R5400 3660308516527 OVR PV 40 600 P TS SPD FOTOVOLT. 670VCC
M514240 2CTB803953R6400 3660308516534 OVR PV 40 1000 P SPD FOTOVOLT. 1000VCC
M514257 2CTB803953R6500 3660308516541 OVR PV 40 1000 PTS SPD FOTOVOLT. 1000VCC


Scarica il catalogo (PDF)

Richiedi una quotazione



Scaricatori OVR T2

M513144 2CTB803953R0800 3660308513144 OVR T2 3N 40 275S P SPD CL2 3P+N 40KA
M513090 2CTB803952R0800 3660308513090 OVR T2 1N 40 275S P SPD CL2 1P+N 40KA
M512963 2CTB803853R2200 3660308512963 OVR T2 3L 40 275S P SPD CLASSE 2 3P 40KA


Scarica il catalogo (PDF)

Richiedi una quotazione

 

Test Srl - Strada Vicinale Battifoglia 14/N, 06132 Sant'Andrea delle Fratte (PG), P.I. & C.F. 02188520544, Tel. +39 075 8788003, Fax. +39 075 7821582, Mobile. +39 335 6158054, Email.info@test-italy.it